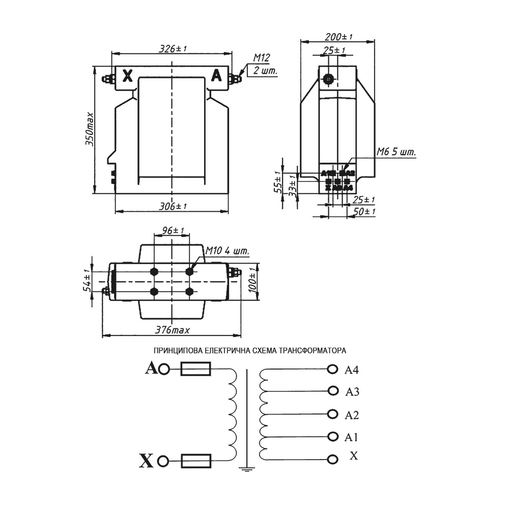
Силовий трансформатор ОЛСПУ-1,25 призначений для встановлення в комплектні розподільчі пристрої (КРП) внутрішнього і зовнішнього встановлення з метою забезпечення живлення ланцюгів власних потреб пунктів секціонування і автоматичного включення резерву (АВР). Трансформатори використовуються в установках змінного струму на об'єктах електроенергетики в промисловості, сільському господарстві, в комунальному секторі та інших галузях народного господарства.
Трансформатор виготовляється у виконанні У категорії розміщення 2 за ГОСТ 15150-69 і призначений для роботи в наступних умовах:
- висота над рівнем моря - не більше 1000 м;
- відносна вологість повітря не більше 98% при 30 оС;
- верхнє робоче значення t0 навколишнього середовища + 50 оС;
- нижнє робоче значення t0 навколишнього середовища -45 оС;
- авколишнє середовище - невибухонебезпечне, без вмісту пилу, хімічно активних газів і парів в концентраціях, що руйнують покриття металів та ізоляцію (атмосфера типу ІІ за ГОСТ 15150-69);
- положення трансформаторів в просторі – будь-яке.
Технічні характеристики відповідають ДСТУ EN 60076-1, ДСТУ EN 60076-11.
