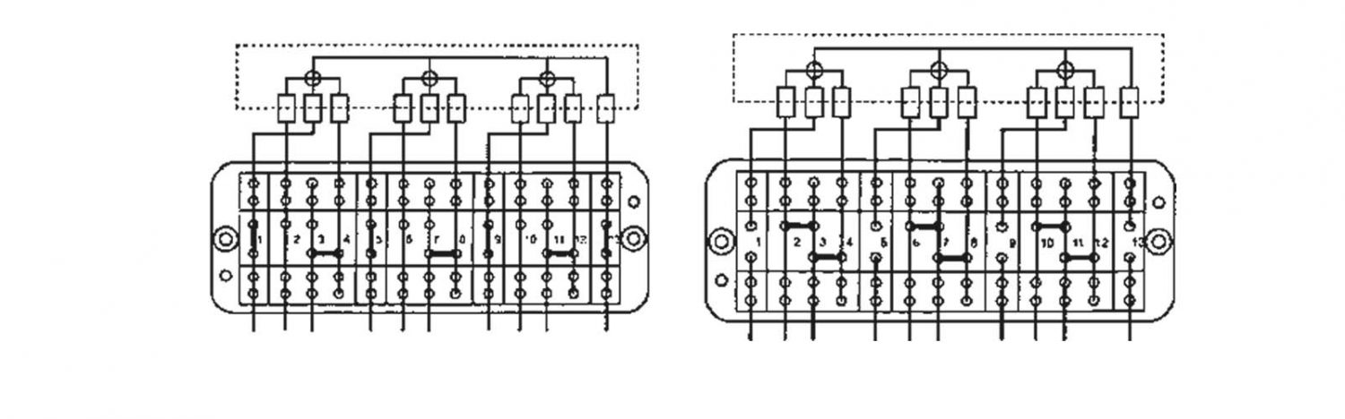
Комутаційна колодка КП 5 (25) А призначена для монтажу і демонтажу трифазних лічильників електричної енергії трансформаторного включення по струму в місці обліку без відключення напруги. Колодка дозволяє проводити вимірювання сили струму і напруги без відключення навантаження і порушення обліку електроенергії підключеним до колодки лічильником. Колодка призначена для використання в будь-яких сферах. Колодка призначена для встановлення в закритих приміщеннях без агресивної вологи, пилу і газів.
